分類

特 點 Features
● 高性能電源濾波器。High performance power filter.
● 泄漏電流小。The leakage current is small.
● 常規通用,安裝方便。General purpose, easy to install.
應 用 Application
● 大多數數字設備(尤其開關電源),可用來抑制連續或間隙性
脈沖干擾,尤其適用于低阻抗負載場合。
Most digital devices, especially switching power supplies,
can be used to suppress continuity or gap Pulse interference,
especially suitable for low impedance load.
性能指標 Characteristcs
額定電壓Rated voltage | 250VAC,50/60Hz;250VDC |
工作頻率 Operating Frequency | DC~400Hz |
額定電流Rated curren | 1A~80A@40℃max. |
耐壓試驗 (60s) Test Voltage | 1500VDC(線-線Line - line) 1500VAC(線-地Line - ground) 3000VDC/2S |
氣候類別 Climate category | 25/100/21 |
產品型號表 Filter Table
型號 model | 接線方式:輸入輸出 | 額定電流A Rated curren | MAX泄漏電流mA leakage current | 放電電阻KΩ resistance | 電路圖Fig. Circuit diagram | 外形尺寸Fig. Outline Drawing | ||
|
| ![]() | ||||||
YX-212-1- | TT | WW | 1 | 0.7 | 1000 | 1 | 1 | |
YX-212-3- | TT | WW | 3 | 0.7 | 470 | 1 | 1 | |
YX-212-6- | TT | WW | 6 | 0.7 | 220 | 1 | 2 | |
YX-212-10- | TT | WW | SS | 10 | 0.7 | 220 | 1 | 2/4 |
YX-212-16- | TT | WW | SS | 16 | 0.7 | 220 | 1 | 3/4 |
YX-212-25- | SS | 25 | 0.7 | 220 | 1 | 5 | ||
YX-212-36- | SS | 36 | 0.7 | 220 | 1 | 5 | ||
YX-222-50- | SS | 50 | 1.0 | 1000 | 2 | 6 | ||
YX-222-80- | SS | 80 | 0.8 | 680 | 2 | 7 | ||
電原理圖Typical Circuit Diagram

Fig.1 Fig.2
插入損耗 Insertion LOSS in dB (50Ω測量系統,IEC/CISPR No.17號出版物)

1A 3A 6A

10A 16A 25A

36A 50A 80A
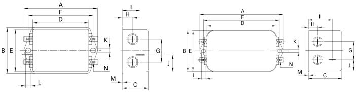
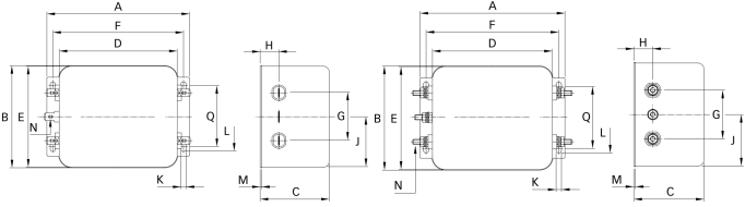
外形尺寸圖 Outline Drawing : mm

Fig.1 (1A~3A) Fig.2 (6A~10A)

Fig.3 (16A) Fig.4 (10~16A)

Fig.5 (25~36A) Fig.6 (50A)

Fig.7 (80A)
外形尺寸Fig. | A | B | C | D | E | F | G | H | I | J | K | L | M | N | Q |
1 (1A) | 85 | 54 | 30.3 | 64.8 | 49.8 | 75 | 27 | 12.3 | 20.8 | 19.9 | 5.3 | 6.3 | 0.7 | 6.3×0.8 | |
1 (3A) | 85 | 54 | 40.3 | 64.8 | 49.8 | 75 | 27 | 12.3 | 29.8 | 11.4 | 5.3 | 6.3 | 0.7 | 6.3×0.8 | |
2 (6A) | 113.5 | 57.5 | 45.4 | 94 | 56 | 103 | 25 | 12.4 | 32.4 | 15.5 | 4.4 | 6 | 1 | 6.3×0.8 | |
2 (10A) | 156 | 57.5 | 45.4 | 130.5 | 56 | 143 | 25 | 12.4 | 32.5 | 15.5 | 5.3 | 6 | 1 | 6.3×0.8 | |
3 (16A) | 119 | 85.5 | 57.6 | 98.5 | 84.5 | 109 | 40 | 15.6 | 42.25 | 4.4 | 7.4 | 1.2 | 6.3×0.8 | ||
4 (10A) | 156 | 57.5 | 45.4 | 130.5 | 56 | 143 | 25 | 12.4 | 32.5 | 15.5 | 5.3 | 6 | 1 | M4 | |
4 (16A) | 119 | 85.5 | 57.6 | 98.5 | 84.5 | 109 | 40 | 15.6 | 42.25 | 4.4 | 7.4 | 1.2 | M4 | 51 | |
5 (25~36A) | 156 | 57.5 | 45.4 | 130.5 | 56 | 143 | 25 | 12.4 | 32.5 | 15.5 | 5.3 | 6 | 1 | M4 | |
6 (50A) | 130 | 180 | 50 | 100 | 120 | 115 | 50 | 30 | 30 | 50 | 6.5 | 4.5 | 1.2 | M6 | 80 |
7 (80A) | 125 | 280 | 90 | 220 | 96 | 81 | 50 | 6.4 | 9.4 | M8 | 243 |
CopyRight ? 2026 常州市宇軒電子有限公司 版權所有 蘇ICP備2022034447號-1 網站地圖 所有標簽 免責聲明 中環互聯網常州網站建設